山东创时换热设备有限公司
手机:13287742946
电话:0531-87200176
微信:13287742946
Q Q: 2254485722
邮箱:13287742946@163.com
网址:www.cshuanreqi.com
地址:济南长清区张夏街道办事处104国道
一、 概述:
CJY系列第四代新型解析除氧装置,用于脱除锅炉给水或热网补给水以及各种工业过程用水中的溶解氧。处理标准达到GB1576—2001《低压锅炉水质标准》要求的2T/h以上的蒸汽锅炉及水温95℃以上的热水锅炉的水质除氧标准。本装置克服了热力除氧、真空除氧、氧化还原树脂除氧、亚硫酸钠加药除氧等方式中除氧方法存在的不足。在第三代解析除氧的基础上又加以改进和发展。经广大用户使用,具有占地面积小、操作简单、设备仪表控制一体化、一次性投资少、设计、安装、运行管理方便、运行费用低、不受热负荷变动影响、连续、间断运行均能达标,是工业锅炉与热水锅炉极佳的除氧方式。
二、工作原理
根据《享利定律》,气体在液体中的溶解度「C」和该气体在水气分界面上的平衡分压力「P」成正比即:C=KP
气体中氧的分压力又与气体中氧的含量成正比,因此将含氧水与脱氧的高纯惰性气体强烈混合,使溶解于水中的氧气大量扩散到气体中,从而使锅炉给水达到水质标准的要求;含氧气体通过系统循环回到除氧反应器换热机组,重新反应生成无氧气体后循环作用。本装置使用新研制的新型催化反应剂,具有强度高、反应快、反应温度低、处理水量大、除氧效率高等特点。
三、特点:
1﹑节约能源。待除氧水不需要加热予处理,即水温在常温时就可进行解析除氧,不存在因自耗热能而增加锅炉容量的问题,节电节能。
2、投资少。解析除氧装置经组合装配后,高位低位布置均可,占地面积少节省空间,管路系统简单,设计安装方便,整个系统不单节少了设备和厂房的投资,还克服了水箱密封的难题。
3、效果明显。装置出水量大,气密性高,热负荷适应性强,可使常温水除氧,出水残余溶解氧浓度低至0.03~0.1㎎/1,除氧效率达到98~99%。
4、操作简单。装置自动控制,一按电钮即可运行,电热元件可根据负荷情况自动切换,节约能耗。除氧反应剂反应后不留残渣,无需人工排渣。
5、自动检测。控制部分设有温度控制器和溶解氧分析仪,直接监测出水含氧量,无需化验取样测定,可从表中直接读出水中的溶解氧含量。
6、适用广泛。可广泛用于工作压力≦1.6MPa的蒸汽锅炉和热水锅炉除氧,对锅炉热负荷经常波动的情况下,采用解析除氧方式是经济合理的。对单层布置的快装、组装锅炉房及已运行的锅炉需加装除氧器的尤为适用。
四、除氧器性能规格:
![]()
1、消耗功率指除氧器本体能耗,不包括水泵功率。
2、脱氧剂处理水量能力为260~300吨/公斤。
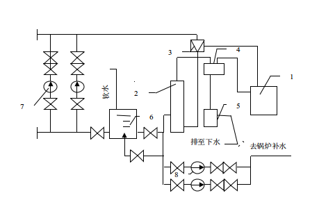
五、解析除氧系统及除氧设备布置:

1、除氧控制反应器 6、软水无氧多功能水箱
2、解析器 7、除氧水泵
3、喷射器 8、补给水泵
4、气水分离器 9、电控仪表箱
5、水封

六、除氧装置主要尺寸对照表及供货明细:(CJY-20)


七、质量要求及技术标准:
1、制造符合标准:水处理设备制造技术条件JB2932—1999;
2、处理水质达到GB1576—2001《低压锅炉水质标准》的用水标准,即出水含氧量≦0.1㎎/L。
3、脱氧剂处理水量能力为260~300吨/公斤.
八、制造、安装技术条件:
1、供方按国家机械部标准和需方达成的协议精心进行设计制造,其产品应达到水处理设备制造条件JB2932—1999标准及需方的技术要求.(出水含量≦0.1㎎/L,符合GB1576—2001《低压锅炉水质标准》).
2、需方应根椐供方提供的安装使用要求,准备好必要的安装场地、管线、配齐水、电等,配合供方对设备进行安装调试.
3、需方在供方指导下负责设备就位.
4、在需方将水、电等配套设施备齐的前提下,供方负责其所供设备的指导性安装并保证在5日内使其设备投入试运行.供方按国家机械部标准的规定进行验证并提供全部技术资料(设备电器、工艺流程图、操作说明书、产品质量合格证).出具设备验证报告---使处理水质达到GB1576—2001《低压锅炉水质标准》.
九:售后服务范围
1、供方免费根据要求为需方现场培训操作人员.
2、供方所供设备保修期1年(自调试合格之日起计算),并实行终生维修,保修期内设备的所有故障由供方负责免费更换维修.在设备使用过程中,如果出现故障,供方维修人员应在3个工作日内到位进行修复.出保修期后供方只收配件费.
3、供方设备安装后如发现质量问题,需进行修复或更换设备时,供方应对需方所造成的损失(包括对建筑物造成的损失)进行赔偿.
十:设备制造周期:正常条件下,合同生效后45天
十一:提供技术资料名称:
1、产品说明书二份
2、产品合格证一份
3、CJY-20解析除氧器安装系统图一份
4、CJY-20解析除氧器电器原理图一份
5、CJY-20解析除氧器电器接线图一份
6、CJY-20解析除氧器安装操作说明书一份
以上材料随设备提供
十二、验收方式及标准:
供方所提供的产品应无外观损伤等质量缺陷,其产品技术性能及配置应符合GB1576—2001《低压锅炉水质标准》和合同(含合同附件)规定及宣传资料的内容。
十三、交货地点及方式:
供方负责将货用汽车运输至需方生产场地,运费、包装费等均由需方负责.运输途中发生的设备损坏由供方负责.
十四、包装标准:
简易防潮包装。
十五、安装、调试、验证与培训:
以上设备运至需方生产场地后,供方应在接到需方书面通知5日内到需方厂区内免费进行指导性安装、调试、验证与人员培训.
地址:
济南市长清区张夏街道办事处104国道
电话:
13287742946
邮箱:
13287742946@163.com